PIO-AI4

产品名称:PIO-AI4

产品型号:PIO-AI4(详细进入)

产品概述
产品特点
技术指标
典型案例
下载资料

DS300A系列一体化机PROFIBUS总线I/O是通信适配器与I/O通道一体化的机型,有小点数,低成本特点。一个I/O站点的DI/DO不超过32点、AI/AO不超过20/4通道。DP主站通过一体化IO设备控制现场设备并监视PROFIBUS DP总线上的数据。DS300A一体化IO从站收集现场传感器和执行器数据,以便能够通过PROFIBUS Dp传输到通信控制器中。

 ● 标准PROFIBUS-DP 从站通信接口;波特率9600~12M自适应;
 ● 兼容主流的PROFIBUS主站设备;
 ● 一体化设计,结构紧凑,体积小,性价比高;
 ● 丰富的模块种类:开关量、模拟量的灵活组合。
 ● 安全输出功能:在PROFIBUS通信故障、上电初始情况下,所有I/O输出(DO、AO)可进入到一个指定安全输出状态;    
 ● 模拟量差分输入,电压电流可选,不低于精度3‰;
 ● 模拟量输出,通道隔离,电压电流可选;
 ● 数字量输入,光电隔离输入、施密特特性、过压过流保护。

产品说明图

产品型号 PIO-AI4
PROFIBUS参数 标准 标准PROFIBUS-DP从站接口,符合IEC61158 TYPE3 PROFIBUS国际标准。
驱动 标准PROFIBUS-DP驱动接口, 波特率自适应,最大波特率12Mbps
通道技术参数 AI 4路模拟量输入,差分输入,光电隔离
模拟量精度 AI:    电压 ±0.1% (最大误差±0.2%)       电流 ±0.2% (最大误差±0.3%)
分辨率 AI:16位
模拟量输入方式 每个通道都可以单独设置电压或电流输入方式,电压:1~5V,  电流:4~20mA
操作特性 配置方式 GSD文件在PROFIBUS主站配置
电气参数 功耗 供电:24VDC(±20%)   消耗电流:200mA
认证 CE认证,EMC测试3000V
温湿度 工作温度:-20℃~+55℃(有更低温度要求的客户,请采购声明);运输和存储:-40℃~+70℃;工作相对湿度:5~95%(无结露)
安装 方式:35mm导轨;            防护等级:IP20;
尺寸 长(108mm)×高(100mm)× 厚(84mm);重量:约460g
产品特点 施密特特性 支持
应用场合 适用于小数量,数字量和模拟量混合使用的场合。
技术特点 数据输出安全功能:在模块上电或总线故障发生瞬间,所以输出进入安全状态,输出安全值可以在系统配置中指定或设定为保持当前输出状态

 

 

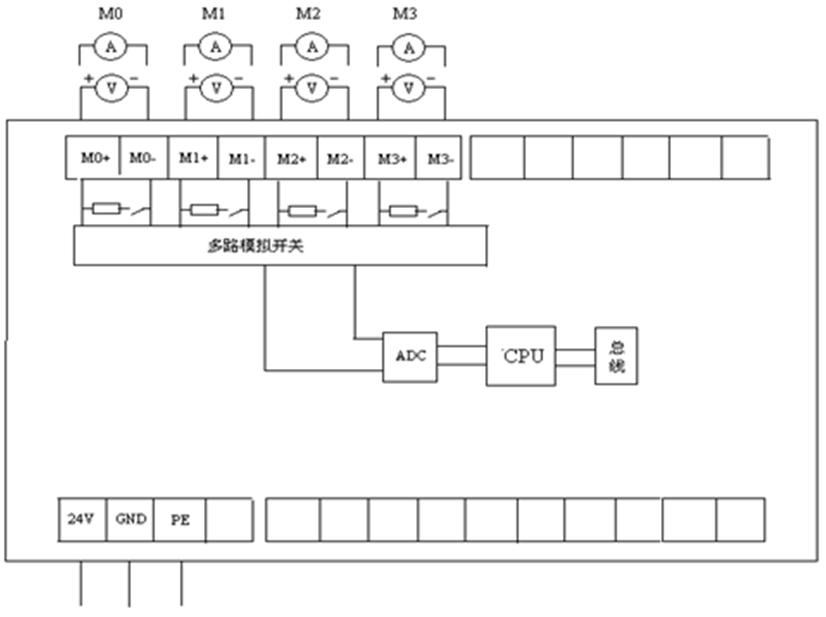
接线图:

 

 

 

安装尺寸:

 

项目名称: 营口电厂锅炉项目
使用产品: 300A系列PIO-AI20
连接产品: 主站选S7-300 PLC,子站采用北京彩神ll购彩大厅-彩神购彩购彩大厅-welcome彩神彩神-彩神8争霸登录入口-网信welcome彩票彩神-彩神welcome购彩中心-彩神8购彩-彩神争8谁与争锋appDS300A系列一体式模块,用于现场数据的采集和控制。
效果分析: 应用北京彩神ll购彩大厅-彩神购彩购彩大厅-welcome彩神彩神-彩神8争霸登录入口-网信welcome彩票彩神-彩神welcome购彩中心-彩神8购彩-彩神争8谁与争锋appDS300A系列产品,可在保证工程质量的前提下降低硬件成本。